澳门8858cc永利
咨询热线:0379-80877123 400-966-9300
首页
产品中心
自创豆制品
经典面制品
组合礼包
源味醒觉系列
其他
视频中心
媒体报道
走进澳门8858cc永利
澳门8858cc永利简介
澳门8858cc永利新闻
生长历程
资质认证
品牌故事
商城/相助
线上商城
相助
加入澳门8858cc永利
加入我们
自媒体
实时车间
车间实况
您目今的位置:
首页
>
公司先容
>
资质认证
澳门8858cc永利简介
澳门8858cc永利新闻
生长历程
资质认证
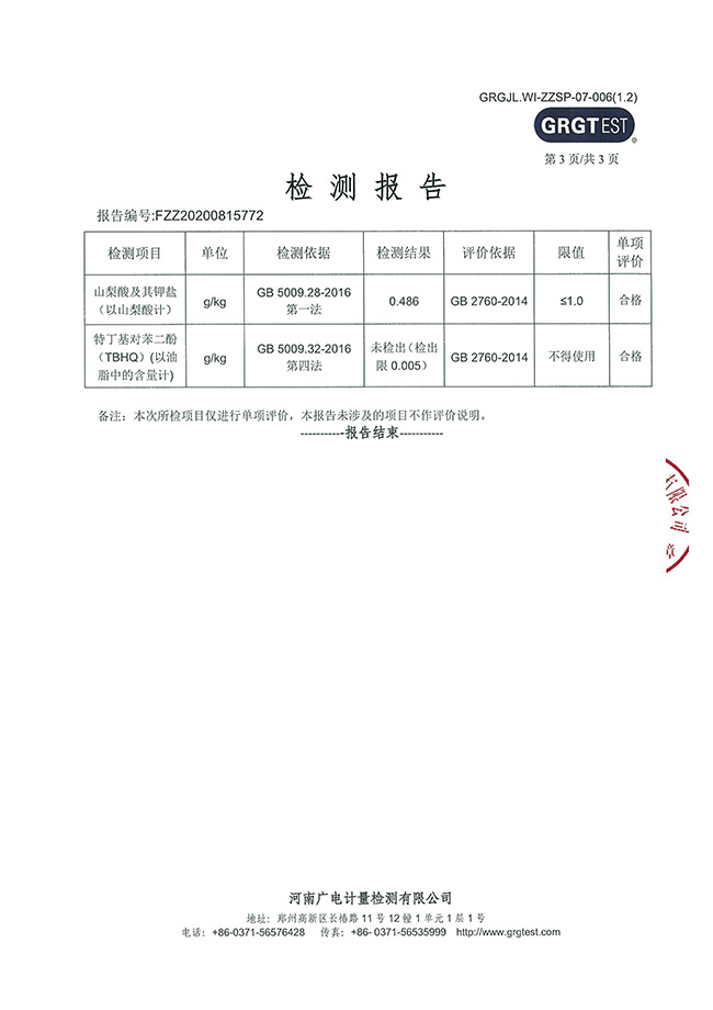
老式大辣片外检
宣布时间:2021-03-02
作者:
泉源:
澳门8858cc永利
点击:5085
上一篇:食物清静治理系统认证证书
下一篇:营业执照
分享到:
0
用手机看
拍下二维码,,,信息随身看
试试用微信扫一扫,,,
在你手机上继续寓目此页面。。。
友情链接:
澳门8858cc永利官方微博阿里巴巴澳门8858cc永利官方旗舰店澳门8858cc永利食物天猫旗舰店淘宝澳门8858cc永利食物工厂自营店澳门8858cc永利(Genji food)京东自营旗舰店澳门8858cc永利食物有赞自营店
0379-80877123
400-966-9300
电话
短信
地图
刷新
【网站地图】
【sitemap】